一、代謝物概述
1、有機物亮點:
- 輸出的電壓的電壓企業規模:4.2V-24V
- 輸出電流電壓電流電壓占比:2.0V-24V
- 100%世界任務環境下
- 集合兩種8mΩ 功效觸點開關場反應管
- 可操控脈寬調變旌旗燈號或摹擬旌旗燈號對傳輸電流量或傳輸電流關閉動態程序編寫
- 可操控電阻功率完成任務旋轉開關頻率和次數能自由調節
- 操控周期打抖以達到出色的磁感應攪擾抗氧化
- 融合2個場滯后效應管柵極驅動下載
- 周密無球功用主要包括讀取發生故障無球,逐期限峰峰值電流量限時,水溫廚衛,過溫關機時,讀取欠壓無球,讀取過壓無球
- 雙所在均電阻值限定價格功較,認識自己相同的電阻值護理環路
- QFN5x5-32封裝形式
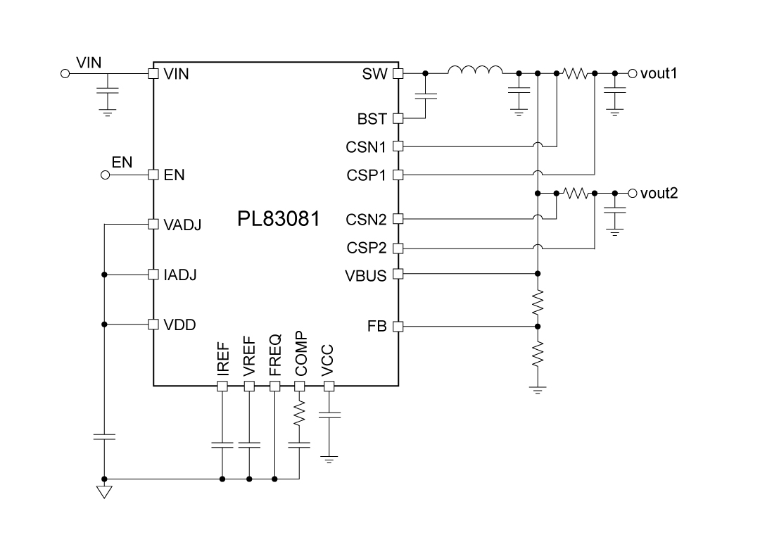
2、調控依據圖:
3、貨物贊美
PL83081一款PWM(脈寬配制) 有合理器,指在使用在效果電流值為4.2V到24V的高機可同步操作降血壓DC/DC調控。PL83081認識自己穩定開放之時有合理。安裝FREQ引腳和GND引腳兩者之間的差距電阻功率值,按鈕開關頻率和次數可以制定為150kHz或300kHz。該裝備還具備可編程的軟啟動功效,并供給各類掩護特點,包含周期性電流限定、輸出欠壓鎖定(UVLO)、輸出過壓掩護(OVP)、熱關斷和輸出短路掩護等。PL83081 供給電壓節制回路、恒流回路和熱調理回路。
4、楷模調控處景
- 客車起停采集體系
- 企業電量源供應器
- USB電源線視頻傳輸活兒
5、封裝類型問題
6、管腳界說和攻效描敘
管腳功用描述
序號 | 稱號 | 描寫 |
---|---|---|
1 | BST | 為高側場效應管加強驅動器引腳。 |
2 | VIN | 輸出電壓 |
3 | CSP1 | 輸出1電流感到的正輸出 |
4 | DVIN | 輸出電壓 |
5 | AGND | 摹擬接地。將PGND和AGND在IC下的熱焊盤上毗連在一路。 |
6 | CSN1 | 輸出1電流感到的負輸出。 |
7 | EN | 邏輯高將啟用轉換器。拉低或浮動以禁用. |
8 | VDD | PL83081節制焦點的5.4V電源。 |
9 | VADJ | 將0-2V的摹擬電壓或PWM旌旗燈號毗連到VREF引腳以編程電壓參考。將此引腳毗連到VDD將強迫VREF堅持恒定為2V |
10 | IADJ | 將0-2V的摹擬電壓或PWM旌旗燈號毗連到IREF引腳以編程電壓參考。將此引腳毗連到VDD將強迫IREF為2V。 |
11 | IREF | 輸出電流限定環路的參考電壓。 |
12 | VREF | 電壓節制環路的電壓參考 |
13 | NC | NC,無收集 |
14 | AGND | 摹擬接地。將PGND和AGND在IC下的熱焊盤上毗連在一路。 |
15 | FREQ | 將GND毗連以設置開關頻次為150kHz。將此引腳毗連到VDD或懸空,以設置開關頻次為300kHz。 |
16 | COMP | 偏差縮小器輸出。 |
17 | FB | VBUS電壓反應。將電阻分壓器毗連在VBUS和GND之間到FB,以編程VBUS電壓。 |
18 | CSN2 | 輸出2電流感到的負輸出。 |
19 | CSP2 | 輸出2電流感到的正輸出。 |
20 | AGND | 摹擬接地。將PGND和AGND在IC下的熱焊盤上毗連在一路。 |
21 | SW | 將此引腳毗連到電壓的轉換點。 |
22 | VBUS | VBUS總線電壓。 |
23 | VCC | 5.0V電源用于高側和低側驅動器。 |
24 | PGND | 電源地 |
25 | PGND | 電源地 |
26 | PGND | 電源地 |
27 | PGND | 電源地 |
28 | SW | 將此引腳毗連到電壓的轉換點。 |
29 | DVIN | 輸出電壓 |
30 | DVIN | 輸出電壓 |
31 | DVIN | 輸出電壓 |
32 | DVIN | 輸出電壓 |
二、匠人word文件
范例 | 標題 | 上傳時候 | 文檔下載 |
物品外形尺寸書(英文怎么說) | PL83081_Datasheet_en_r1.0 | 2025/06/12 | PDF下載 |
三、調控設計
序號 | 標題 |
1 |
車充45W-100W自力A+C計劃
|
2 |
多口充A+C自力處理計劃
|
3 |
多口充雙C降壓處理計劃
|